|
|
| 350ZLB系列轴流泵工作性能表 返回产品目录 |
|
350ZLB基础外形安装图dwg-Model
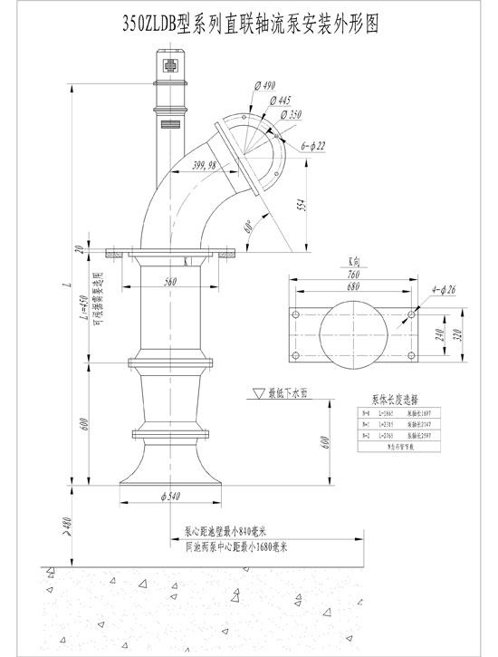
350ZLB型系列直联轴流泵安装处形图wg-Model
350ZLB-4型轴流泵工作性能参数表
(n=1470r/min) |
| 叶片安装角度 |
流量 Q |
扬程 H(m) |
转速 n |
功率 N(千瓦) |
效率 |
叶轮直径D(mm) |
样式 |
| m3/h |
L/S |
(r/min) |
轴功率 |
配用电机及功率 |
η
% |
|

|
| +4° |
1256
1368
1433 |
349
380
390 |
5.8
4.6
3.8 |
1470 |
24.9
20.8
18.8 |
30
Y200L-4 |
79.8
81.9
79.8 |
300 |
| +2° |
1241
1278
1364 |
317
355
379 |
6.1
4.6
3.5 |
1470 |
23.7
19.3
16.4 |
30
Y200L-4 |
79.8
82.3
79.8 |
300 |
| 0° |
1062
1200
1274 |
295
335
354 |
6.0
4.3
3.4 |
1470 |
21.6
17.4
14.6 |
22
Y180L-4 |
79.8
81.8
79.8 |
300 |
| -2° |
990
1094
1177 |
275
304
327 |
5.8
4.5
3.4 |
1470 |
19.6
16.4
13.5 |
22
Y180L-4 |
79.8
81.8
79.8 |
300 |
| -4° |
932
1022
1006 |
259
284
296 |
5.4
4.2
3.6 |
1470 |
17.3
14.5
13.2 |
22
Y180L-4 |
79.8
80.9
79.8 |
300 |
|
| |
350ZLB-8型轴流泵工作性能参数表
(n=1470r/min) |
| 叶片安装角度 |
流量 Q |
扬程 H(m) |
转速 n |
功率 N(千瓦) |
效率 |
叶轮直径D(mm) |
样式 |
| m3/h |
L/S |
(r/min) |
轴功率 |
配用电机及功率 |
η
% |
|

|
| 0° |
1300
1462
1616 |
361
406
449 |
9.5
8.1
6.0 |
1470 |
45.4
39.7
34.7 |
45
Y200M-4 |
76.5
80.8
76.5 |
300 |
| -2° |
1224
1393
1537 |
340
387
327 |
9.2
7.7
5.8 |
1470 |
40.1
36.0
31.7 |
45
Y200M-4 |
76.5
81.5
76.5 |
300 |
| -4° |
1174
1314
1474 |
326
365
401 |
9.0
7.6
5.7 |
1470 |
37.7
33.4
29.5 |
45
Y180M-4 |
76.5
81.0
76.5 |
300 |
| -6° |
1105
1231
1332 |
307
342
370 |
8.8
7.4
6.0 |
1470 |
34.6
30.9
28.4 |
37
Y180S-4 |
76.5
80.0
76.5 |
300 |
|
|